- Современный надежный дата-центр
в самом сердце Санкт-Петербурга

BONCH-ATS/PDU R-4VC1-16-6хS-MCL-440-1.8


₽49.900

Цена с учетом НДС


Под заказ

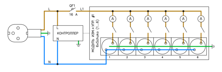
Интеллектуальный Блок розеток R-4VC1-16-6хS-MCL-440-1.8 с новейшим контроллером 4MC1

Горизонтальный ПДУ с функцией управления и измерения для стандартного 19 дюймого шкафа имеет 6 розеток Schuko и кабель подключения питания длиной 1. 8м. с вилкой Schuko. Блок розеток имеет самые минимальные размеры (45 × 484 × 60 мм) не занимает доподнительного места в шкафу. Прост и удобен в подключении.

Контроллер ПДУ находится под управлением операционной системы Linux.

Интеллектуальный Блок розеток может удаленно:

  • — измерять величину напряжения
  • — включать/выключать каждую розетку
  • — измерять потребление электричества каждой розеткой
  • — возможность программирования различных сценариев выключения/включения оборудования
  • -через контакты могут быть подключены различные датчики: температуры, влажности, открытия/закрытия дверей, пожарной сигнализации и т.д.

Контроллер ПДУ может управлять ручками телекоммуникационных шкафов, выполняя функции СКУДа

Информация может передаваться либо в свой интерфейс, либо интегрирована в программы мониторинга более высокого уровня ZABBIX, Smart DCIM, Grafana и т.п.

Основные задачи, решаемые данным блоком розеток

  • — Управление оборудованием по питанию порозеточно
  • — мониторинг напряжения электропитания
  • — мониторинг потребления электропитания нагрузкой
  • — контроль за параметрами внешней среды
  • — контроль доступа к оборудованию

Цель  применения — повышение надежности и управление работой оборудования удаленно, информирование об аварийных ситуациях в дата-центрах, серверных, на удаленных узлах связи, точках доступа.

 

 


Тип Измерение по каждой розетке с управлением каждой розеткой
Измеряемые параметры U(B), I(A), P(Bт)
Измерение по выходам Выходной ток и мощность по каждой розетке, точность 5%
Ethernet-порты (LAN) 1, LAN2 (с внешним адаптером USB)
Резервное питание (ComPWR) Да: питание от «соседа» и питание подключенных обесточенных контроллеров
Сетевые протоколы SNMP v1/v2c/v3, HTTP/HTTPS, TELNET, TLS, SSHv2, IPv6, TFTP, RADIUS, NTP, SMTP, DNS, DHCP-клиент,
Whatchdog, RADIUS, Modbus TCP, Modbus RTU поддерживается при отсутствии внешних устройств в
контроллере.
Возможность организации СКУД и системы мониторинга климата (с использованием внешних электронных
ручек,
НМІ дисплеев и датчиков)
Цифровые порты 2xRS485, 1xUSB-C (режим Host)
Входы и выходы 2xDIO, 2xAI, 1×1-wire
Мощность контроллера ном./макс. 7/20 Вт

Сертификат соответствия

Отзывы


Часто задаваемые вопросы

При использовании различных автоматов защиты необходимо помнить, что для расчета гарантированного последовательного срабатывания автоматов защиты нужно не просто соблюдать селективность номиналов защитных автоматов, но и учитывать множество факторов при возникновении токов КЗ в подключенной аппаратуре. Простое уменьшение номиналов автоматов от сети к нагрузке не всегда приводит к желаемому результату в аварийной ситуации.


На данном этапе для доставки нашей продукции мы пользуемся услугами КСЕ, средняя стоимость доставки одного BONCH-ATS составляет примерно 600 руб.
Возможно использования других транспортных компаний.


В представленных устройствах реализована только функция Автоматического Ввода резерва с необходимой защитой от перенагрузки. Существует заказная модификация с выносной сигнализацией.
Разработка модификации АВР с мониторингом будет завершена в ближайшее время.


При применении как байпас ИБП надо учитывать допускает ли прерывание электроснабжения сам ИБП (обычно это бытовые недорогие ИБП). Если допускает — то резервный ввод включается в ИБП, основной — в сеть 220В. Если двойное преобразование происходит в ИБП — то основной ввод — в ИБП, резерв — в 220В.
Обычно это описано в характеристиках ИБП.


При возобновлении подачи электричества на основном вводе обратное переключение сделано с некоторой задержкой, проводится анализ синусоиды, чтобы избежать срабатывания при неустойчивом энергоснабжении на переходных периодах.


Авр переключает 2 линии одновременно и «фазу» и «ноль».
Таким образом, оба ввода может быть от совершенно различных источников, не зависит и от того какая фаза где используется и от ориентации фаза-ноль.


АВР имеет тепловой предохранитель, он способен кратковременно пропускать токи больше, чем номинальные.
Сделано для того чтобы стартовые токи проходили через устройство.
Нагреется — отключится. Обратное включение — как остынет.


На данный момент существуют 2 основных модели:

— 6 розеток типа щуко

— 2 розетки щуко, 4 разъема- С13


3 варианта:

  1. Оба ввода — евровилки «SCHUCO».
  2. 2 разъема С14.
  3. Основной — С14, резерв — евровилка — заказная позиция.

 


Только конструктивным исполнением. Схема и принцип работы одинаков.


КОРЗИНА